电炉认证
众汇电炉
杭州萧山众汇工业电炉厂
  电炉 设为首页 电炉 收藏 繁體 & EN
0571-82472877
 
电炉
电炉 众汇电炉 工业电炉 电炉案例 电炉配件 电炉新闻 电炉知识 电炉图例 众汇在线留言 联系众汇
电炉
众汇工业电炉
电炉展示
铜锭步进式加热炉 铜锭步进式加热炉
等温正火炉 等温正火炉
无氧球化退火炉 无氧球化退火炉
升降平台式烘箱 升降平台式烘箱
箱式保护气氛回火炉 箱式保护气氛回火炉
燃气发黑炉 燃气发黑炉
淬火油槽 淬火油槽
铝合金均质炉 铝合金均质炉
托辊型网带式等温退火炉生产线 托辊型网带式等温退火...
连续式燃气铝板退火炉 连续式燃气铝板退火炉
辊底式燃气铜管退火炉 辊底式燃气铜管退火炉
托辊型网带式燃气正火生产线 托辊型网带式燃气正火...
催化剂网带式煅烧烘干炉 催化剂网带式煅烧烘干炉
斜底式加热炉 斜底式加热炉
链拉式铝线时效退火炉(国内首创) 链拉式铝线时效退火炉...
托辊型网带式等温退火生产线 托辊型网带式等温退火...
全自动网带清洗机 全自动网带清洗机
全纤维台车式电阻炉 全纤维台车式电阻炉
网带烧结炉 网带烧结炉
PMI高精度预聚烘箱(国内首创) PMI高精度预聚烘箱...
网带式气氛保护淬火炉 网带式气氛保护淬火炉
网带式回火炉 网带式回火炉
渗锌炉 渗锌炉
通过式热风干燥炉 通过式热风干燥炉
托辊式无马弗网带生产线 托辊式无马弗网带生产线
玻璃网带退火炉 玻璃网带退火炉
网带式不锈钢固熔炉生产线 网带式不锈钢固熔炉生产线
快速自动淬火油槽 快速自动淬火油槽
井式真空光亮退火炉 井式真空光亮退火炉
台车式光亮退火炉 台车式光亮退火炉
燃气通过式托辊炉 燃气通过式托辊炉
托辊型网带式调质生产线 托辊型网带式调质生产线
托辊型网带式连续烘干炉 托辊型网带式连续烘干炉
井式气体渗碳炉 井式气体渗碳炉
辊底式铝线铝材连续退火炉 辊底式铝线铝材连续退火炉
台车炉 台车炉
滚筒炉 滚筒炉
盐浴炉热处理生产线 盐浴炉热处理生产线
箱式炉 箱式炉
铝合金时效炉 铝合金时效炉
井式球化退火炉 井式球化退火炉
通过式铜带铝带热风干燥炉 通过式铜带铝带热风干燥炉
推杆炉 推杆炉
井式回火炉 井式回火炉
外热式盐浴模具清洗炉 外热式盐浴模具清洗炉
蒸气发黑炉 蒸气发黑炉
发黑炉 发黑炉
电极盐浴炉 电极盐浴炉
网带式粉末冶金烧结炉 网带式粉末冶金烧结炉
热风循环烘箱 热风循环烘箱
高精度电热烘箱(国内首创) 高精度电热烘箱(国内...
井式加热炉 井式加热炉
深井炉 深井炉
罩式炉 罩式炉
大型井式气体氮化炉 大型井式气体氮化炉
恒温恒湿试验箱 恒温恒湿试验箱
蒸汽电阻炉 蒸汽电阻炉
坩埚电热熔炉 坩埚电热熔炉
旋转式氢碎炉 旋转式氢碎炉
磨削机 磨削机
电炉
知识内容 首页 > 电炉知识> 详细内容
电炉知识:钢中常见金相组织
作者:杭州萧山众汇工业电炉厂    发布时间:2012-01-04

电炉知识:钢中常见金相组织

1.奥氏体 -碳与合金元素溶解在γ-Fe中的固溶体,仍保持γ-Fe的面心立方晶格。晶界比较直,呈规则多边形;淬火钢中残余奥氏体分布在马氏体间的空隙处

2.铁素体-碳与合金元素溶解在a-Fe中的固溶体。亚共析钢中的慢冷铁素体呈块状,晶界比较圆滑,当碳含量接近共析成分时,铁素体沿晶粒边界析出。

3.渗碳体-碳与铁形成的一种化合物。在液态铁碳合金中,首先单独结晶的渗碳体(一次渗碳体)为块状,角不尖锐,共晶渗碳体呈骨骼状。过共析钢冷却时沿Acm线析出的碳化物(二次渗碳体)呈网结状,共析渗碳体呈片状。铁碳合金冷却到Ar1以下时,由铁素体中析出渗碳体(三次渗碳体),在二次渗碳体上或晶界处呈不连续薄片状。

4.珠光体-铁碳合金中共析反应所形成的铁素体与渗碳体的机械混合物。
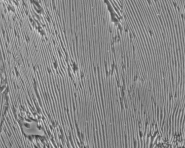
珠光体的片间距离取决于奥氏体分解时的过冷度。过冷度越大,所形成的珠光体片间距离越小。在A1~650℃形成的珠光体片层较厚,在金相显微镜下放大400倍以上可分辨出平行的宽条铁素体和细条渗碳体,称为粗珠光体、片状珠光体,简称珠光体。在650~600℃形成的珠光体用金相显微镜放大500倍,从珠光体的渗碳体上仅看到一条黑线,只有放大1000倍才能分辨的片层,称为索氏体。在600~550℃形成的珠光体用金相显微镜放大500倍,不能分辨珠光体片层,仅看到黑色的球团状组织,只有用电子显微镜放大10000倍才能分辨的片层称为屈氏体。
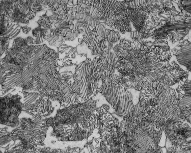
珠光体+铁素体 
珠光体+铁素体
电镜照片-珠光体片层 
电镜照片-珠光体片层

5.上贝氏体-过饱和针状铁素体和渗碳体的混合物,渗碳体在铁素体针间。过冷奥氏体在中温(约350~550℃)的相变产物,其典型形态是一束大致平行位向差为6~8od铁素体板条,并在各板条间分布着沿板条长轴方向排列的碳化物短棒或小片;典型上贝氏体呈羽毛状,晶界为对称轴,由于方位不同,羽毛可对称或不对称,铁素体羽毛可呈针状、点状、块状。若是高碳高合金钢,看不清针状羽毛;中碳中合金钢,针状羽毛较清楚;低碳低合金钢,羽毛很清楚,针粗。转变时先在晶界处形成上贝氏体,往晶内长大,不穿晶。 

6.下贝氏体-同上,但渗碳体在铁素体针内。过冷奥氏体在350℃~Ms的转变产物。其典型形态是双凸透镜状含过饱和碳的铁素体,并在其内分布着单方向排列的碳化物小薄片;在晶内呈针状,针叶不交叉,但可交接。与回火马氏体不同,马氏体有层次之分,下贝氏体则颜色一致,下贝氏体的碳化物质点比回火马氏体粗,易受侵蚀变黑,回火马氏体颜色较浅,不易受侵蚀。高碳高合金钢的碳化物分散度比低碳低合金钢高,针叶比低碳低合金钢细
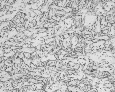
马氏体+下贝氏体+残余奥氏体+屈氏体 
马氏体+下贝氏体+残余奥氏体+屈氏体

7.粒状贝氏体-大块状或条状的铁素体内分布着众多小岛的复相组织。过冷奥氏体在贝氏体转变温度区的最上部的转变产物。刚形成时是由条状铁素体合并而成的块状铁素体和小岛状富碳奥氏体组成,富碳奥氏体在随后的冷却过程中,可能全部保留成为残余奥氏体;也可能部分或全部分解为铁素体和渗碳体的混合物(珠光体或贝氏体);最可能部分转变为马氏体,部分保留下来而形成两相混合物,称为M-A组织。
粒状贝氏体 

8.无碳化物贝氏体-板条状铁素体单相组成的组织,也称为铁素体贝氏体。形成温度在贝氏体转变温度区的最上部。板条铁素体之间为富碳奥氏体,富碳奥氏体在随后的冷却过程中也有类似上面的转变。无碳化物贝氏体一般出现在低碳钢中,在硅、铝含量高的钢中也容易形成。

9.马氏体-碳在a-Fe中的过饱和固溶体。
板条马氏体:在低、中碳钢及不锈钢中形成,由许多相互平行的板条组成一个板条束,一个奥氏体晶粒可转变成几个板条束(通常3到5个)。
片状马氏体(针状马氏体):常见于高、中碳钢及高Ni的Fe-Ni合金中,针叶中有一条缝线将马氏体分为两半,由于方位不同可呈针状或块状,针与针呈120o角排列,高碳马氏体的针叶晶界清楚,细针状马氏体呈布纹状,称为隐晶马氏体。

10.回火马氏体-马氏体分解得到极细的过渡型碳化物与过饱和(含碳较低)的a-相混合组织        它由马氏体在150~250℃时回火形成。
这种组织极易受腐蚀,光学显微镜下呈暗黑色针状组织(保持淬火马氏体位向),与下贝氏体很相似,只有在高倍电子显微镜下才能看到极细小的碳化物质点。 

11.回火屈氏体-碳化物和a-相的混合物。
它由马氏体在350~500℃时中温回火形成。其组织特征是铁素体基体内分布着极细小的粒状碳化物,针状形态已逐渐消失,但仍隐约可见,碳化物在光学显微镜下不能分辨,仅观察到暗黑的组织,在电镜下才能清晰分辨两相,可看出碳化物颗粒已明显长大。

12.回火索氏体- 以铁素体为基体,基体上分布着均匀碳化物颗粒。
它由马氏体在500~650℃时高温回火形成。其组织特征是由等轴状铁素体和细粒状碳化物构成的复相组织,马氏体片的痕迹已消失,渗碳体的外形已较清晰,但在光镜下也难分辨,在电镜下可看到的渗碳体颗粒较大。

13.莱氏体- 奥氏体与渗碳体的共晶混合物。呈树枝状的奥氏体分布在渗碳体的基体上。

14.粒状珠光体-由铁素体和粒状碳化物组成。
它是经球化退火或马氏体在650℃~A1温度范围内回火形成。其特征是碳化物成颗粒状分布在铁素体上。
铁素体+粒状碳化物 
铁素体+粒状碳化物

15魏氏组织- 如果奥氏体晶粒比较粗大,冷却速度又比较适宜,先共析相有可能呈针状(片状)形态与片状珠光体混合存在,称为魏氏组织 。亚共析钢中魏氏组织的铁素体的形态有片状、羽毛状或三角形,粗大铁素体呈平行或三角形分布。它出现在奥氏体晶界,同时向晶内生长。过共析钢中魏氏组织渗碳体的形态有针状或杆状,它出现在奥氏体晶粒的内部。

在此跟大家推荐众汇电炉一款不锈钢工业炉-不锈钢热处理网带炉。详情请参见:http://www.hzzhdl.com/product/view_21.html

电炉知识:钢中常见金相组织转载请说明出自众汇电炉:www.hzzhdl.com/zhishi/view_258.html   
 
上一篇:真空炉隔热屏 下一篇:中国电炉行业国家标准目录
随机知识:
淬火介质冷却循环系统-集液槽
电热元件的分类
金属表面发黑处理工艺
工业炉节能现状
新型燃气热处理炉的用途
 
首页 | 众汇电炉 | 电炉展示 | 电炉案例 | 电炉配件 | 新闻动态 | 电炉知识 | 电炉图例 | 生产现场 | 联系我们 | 网站地图 | 电柜 | 发货现场| 人才招聘
地 址:浙江省杭州萧山进化机电配套工业园区(墅上王) 电话:0571-82472877 82485216 82351166 传真:0571-82485216  电炉 工业电炉 淬火油槽 预聚烘箱 淬火槽
© CopyRight 1999-2012,www.hzzhdl.com 杭州萧山众汇工业电炉厂 开创网络 技术支持 浙ICP备09065345号-1